Versorgungsgebiet der WVO ist gemäss Wasserversorgungsgesetz das ganze eingezonte Baugebiet sowie weitere zusammenhängende Siedlungsgebiete der Gemeinde Oberdiessbach (ohne Ortsteil Bleiken). Zu diesem Zweck erstellt und unterhält die WVO alle Anlagen zur Wasserbeschaffung, -förderung, -aufbereitung und -speicherung sowie das öffentliche Leitungsnetz und die Hydranten.
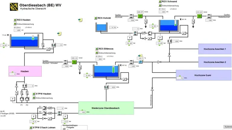
Die Grafik bietet einen Überblick über das Quell- und Versorgungsgebiet der VWO. Das Wasser aus den Quellgebieten fliesst in die als Zwischenspeicher dienenden Reservoirs, wo es zuerst mittels UV-Strahlung desinfiziert wird. Von den Reservoirs aus werden die verschiedenen Druckzonen im Versorgungsgebiet mit Trink-, Brauch- und Löschwasser versorgt. Die ganze Anlage wird überwacht durch die Steuerungszentrale im Gemeindehaus Oberdiessbach.
Im Bedarfsfall kann die WVO über das Pumpwerk Leimen Wasser der Nachbarversorgung Blattenheid beziehen. Zudem ermöglicht die WVO der Gemeinde Linden den Notwasserbezug ab Reservoir Schwand nach deren Reservoir Hohrüti. Diese Bezüge/Lieferungen sind mittels Wasserlieferungsverträgen geregelt.
Quellgebiete
Das Trinkwasser von Oberdiessbach stammt im Normalfall aus den drei Quellgebieten Siebenbrunnen, Kilchmatt und Schnabel. Die im Gebiet Siebenbrunnen (zwischen Barichti und Üentenegg) gefassten Quellen und die Quellen in der Kilchmatt (Barichti) werden dem Reservoir Schwand zugeleitet. Das Wasser aus der Schnabel-Quelle (unterhalb Grafenbühl, Linden) wird durch eine 2.5 km lange Leitung im freien Gefälle direkt ins Reservoir Bittmoos abgeleitet.
Reservoirs
Ein Reservoir als Trinkwasserspeicher dient in erster Linie dem Ausgleich zwischen Wasserangebot und -verbrauch sowie der Erzielung eines möglichst gleichmässigen Versorgungsdrucks. Eine weitere Hauptaufgabe eines Reservoirs ist es, im Falle eines Brandes eine gewisse Wassermenge zu Löschzwecken zur Verfügung zu stellen. Die Speicherung von Trinkwasser erfolgt aus Qualitätsgründen in geschlossenen Behältern.
Die WVO betreibt in ihrem Einzugsgebiet drei Reservoirs:

Bittmoos
Das Reservoir Bittmoos (Baujahr 1902, mehrfach saniert) besteht aus zwei Kammern mit total 216 m3 und einer dritten Kammer mit 350 m3 Inhalt.

Hauben
Um das Baugebiet der oberen Hauben mit Druckwasser zu erschliessen, wurde 1966 das Hochreservoir Hauben gebaut. Es besteht aus zwei Kammern mit total 620 m3 Inhalt.
#uv-entkeimungUV-Entkeimung
Vor dem Einlauf in die Reservoirkammern der Reservoirs Bittmoos und Schwand wird das Rohwasser aus den Quellgebieten beim Durchfluss durch UV-Entkeimungsanlagen desinfiziert. Strahlen im Wellenlängenbereich von 240-290 nm (Ultraviolett) haben eine antibakterielle Wirkung. Zudem wird das Rohwasser beim Einlauf in die Reservoirs laufend auf Trübung überwacht. Falls diese einen bestimmten Wert überschreitet, tritt automatisch eine Verwurfklappe in Aktion, die das Rohwasser noch vor dem Einlauf ins Reservoir in den Überlauf leitet.
#leitsystemSteuerungs- und Fernmeldeanlage
Die Steuerung und Überwachung der wichtigsten Anlagen der WVO erfolgt computergesteuert von der Leitzentrale im Gemeindehaus her. Das Leitsystem der Firma Rittmeyer ist seit 1998 in Betrieb. Es ermöglicht die Erfassung und Speicherung der Momentanwerte aller Zu- und Abflüsse in den Reservoirs und der Förderung beider Pumpen im Pumpwerk Hauben. Diese Messwerte lassen sich in wählbarer zeitlicher Auflösung (stündlich, täglich, monatlich) statistisch nutzen zur Bilanzierung von Wasserbeschaffung und -verbrauch.
Daneben werden durch das System zahlreiche zusätzliche Parameter überwacht und protokolliert, wie z.B. Funktion der Leitzentrale, Wasserstand der Reservoirs, Zustand der UV-Desinfektionsanlagen, Zustand der Verwurfklappen (bei Wassertrübung) und Zustand der Löschklappen. Für verschiedene Parameter (z.B. minimaler Wasserstand im Reservoir Hauben) sind Alarmwerte definierbar, die entweder zu einer Reaktion des Systems (z.B. Einschalten der Pumpen) oder durch den Sprachprozessor zum automatischen telefonischen Aufgebot des Bereitschaftsdienstes führen. Die Fernsteuerung der Pumpen im Pumpwerk Hauben und der die Löschwasserreserven freigebenden Löschklappen in den Reservoirs sind ebenfalls ins System integriert.








